苏州冷却水水泵项目(永磁同步电机)
冷冻冷藏
浏览量:155次
冷却水水泵项目(永磁同步电机)
变频器系列:YD580ET4-75G/90P-T
应用设备:冷却冰机
调试日期:2026.1.13
调试地点:苏州张家港(康某集团股份有限公司)
调试人员:王工
1、冷却水水泵设备工作原理
冷却水水泵是冷却水循环系统的核心设备,其工作原理可以概括为:为冷却水(水或水与乙二醇的混合液)提供动力,使其在系统中强制循环,将热量从发热部位(冰机)携带到散热部位(散热器),从而实现热交换和温度控制。
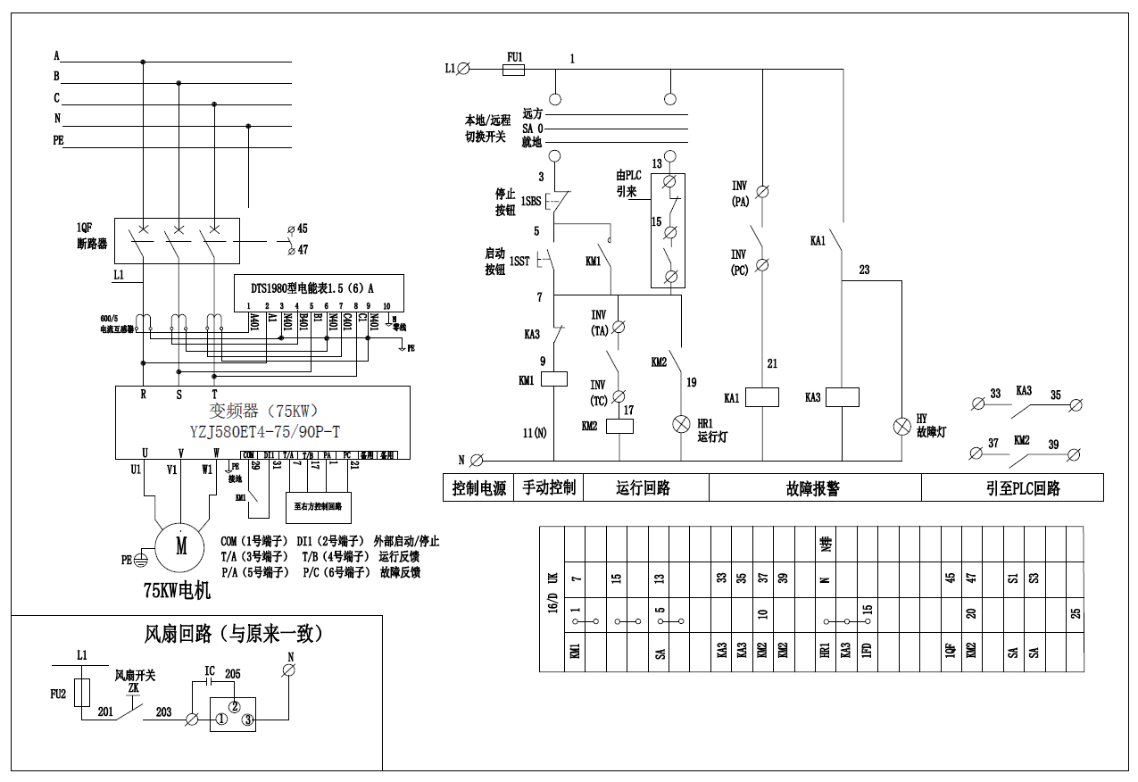
2、电气接线图
变频器和电机之间存在一定距离,因此变频器和电机都要做好接地的准备。
现场采用本地和远程控制,要求可以本地与远程都可以启停(通过柜门上的本地远程切换开关切换 ) 同时,运行和报警信号通过接触器或者中间继电器传递到PLC上,可以监控当前设备的运行状态。
3、变频器规格
永磁同步电机额定电流为125A,电机转速1500转,额定功率75KW,根据电机的型号及使用工况,我司选择了额定电流为150A的YZJ580ET4-75G/90P-T。
- 调试步骤
现场变频器参数设置
| P0-02=1 | 端子运行 |
| P6-10=1 | 自由停车 |
| P4-00=1 | DI1端子功能正转 |
| P5-02=1 | 运行(本体继电器) |
| P5-03=2 | 故障(扩展继电器) |
| P1-01=75KW | 电机额定功率 |
| P1-02=380V | 电机额定电压 |
| P1-03=125A | 电机额定电流 |
| P1-04=100HZ | 电机额定频率 |
| P1-05=1500R | 电机额定转速 |
| P0-08=100HZ | 当前频率 |
设置完成后P1-37设置11,按RUN键,电机静态自学习,后正常运行
5、现场运行情况
运行稳定
电机100HZ时三相输出电流平衡,范围在88-90A


